联系我们
|
微信
微信号:13188945009
扫一扫 联系我们
您好,欢迎访问这里是山东富晨树脂化工有限公司官网!
13188945009
网站首页
关于我们
企业文化
公司简介
产品展示
乙烯基酯树脂
乙烯基防腐涂料
石墨烯重防腐涂料
新闻资讯
产品知识
行业新闻
公司新闻
在线订购
工程案例
施工现场
联系我们
乙烯基防腐涂料
乙烯基酯树脂
乙烯基防腐涂料
石墨烯重防腐涂料
推荐产品
联系我们
山东富晨树脂化工有限公司
联系人:许经理
电 话:13188945009
地 址:山东省济南市天桥区区泺安路38号西区11号楼3-301号
在线咨询
首页
>
产品展示
>
乙烯基防腐涂料
产品中心标题
TCH-2中温乙烯基玻璃鳞片涂料
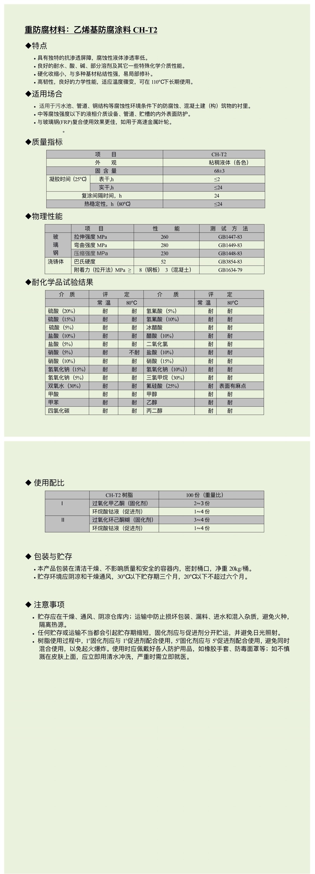
重防腐材料:中温乙烯基玻璃鳞片涂料TCH-2产品简介:中温乙烯基玻璃鳞片涂料TCH-2系列,是针对烟气脱硫(FGD)装置的烟道、污水厂、烟筒而研发的系列专用鳞片类耐蚀材料。它是由高度耐蚀、耐温、高韧性的环氧乙烯基酯树脂为成膜物,配以特殊表面处理的鳞片材料、相关助剂,与其它耐腐蚀颜填料加工而成,物料成糊状。◆性能特点● 具有独特的抗渗透屏障,腐蚀性气体渗透率低。● 良好的耐水、酸、碱、部分溶剂及其它
咨询热线:
13188945009
产品介绍
上一篇:
TCH-1高温乙烯基玻璃鳞片涂料
下一篇:
TCH-3环氧玻璃鳞片涂料
服务热线
服务热线
131-8894-5009
微信咨询
返回顶部